Part No. | Power | Max Working | Max Overload | Max Withstand |
LRX05B | 5W | 150V | 350V | 500V |
LRX10B | 10W | 150V | 150V | 600V |
LRX25B | 25W | 200V | 200V | 800V |
LRX50B | 50W | 300V | 300V | 800V |
LRX100 | 100W | 600V | 600V | 1000V |
LRX150 | 150W | 800V | 800V | 1200V |
LRX200 | 200W | 1000V | 1000V | 1500V |
LRX250 | 250W | 1200V | 1200V | 1800V |
LRX300 | 300W | 1500V | 1500V | 2200V |
LRX500 | 500W | 1600V | 1600V | 2300V |
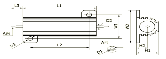
Type 1 ( Non-Screw Lead wire 5~50W)

▇ Dimensions & Specifications
Power
| Range ( Ω) | Part No.
| Dimension ( mm ) | |||||||||
L1±1
| L2±0.5 | L3±1 | W1±0.5 | W2±1 | H1 ±1 | H2±1 | D1±0.5 | D2 ±0.2 | D3 ±0.5 | |||
5W | 0.01~1K | LRX05B | 15.0 | 11.0 | 12.0 | 12.0 | 16.0 | 8.0 | 4.4 | 0.75 | 2.4 | |
10W | 0.01~1K5 | LRX10B | 19.0 | 14.0 | 10.0 | 16.0 | 21.0 | 10.0 | 5.0 | 1.8 | 1.8 | 2.5 |
25W | 0.01~10K | LRX25B | 27.0 | 18.0 | 11.0 | 20.0 | 27.0 | 13.0 | 7.0 | 2.0 | 2.0 | 3.5 |
30W | 0.01~27K | LRX30B | 34.0 | 25.0 | 10.0 | 21.0 | 29.0 | 15.5 | 7.3 | 2.0 | 2.0 | 3.5 |
50W | 0.01~33K | LRX50B | 50.0 | 40.0 | 10.0 | 21.0 | 29.0 | 15.5 | 7.3 | 2.0 | 2.0 | 3.5 |
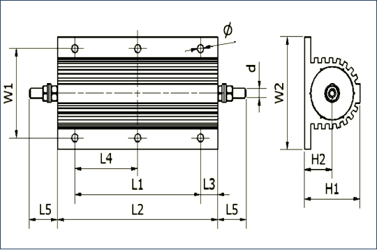
Type2 (Screw Lead wire 75~500W)

▇ Dimensions & Specifications
Power
| Range ( Ω) | Part No.
| Dimension ( mm ) | ||||||||||
L1±1
| L2±1 | L3±1 | L4±1 | L5±2 | W1±2 | W2±2 | H1±1 | H2±1 | d±0.5 | φ±0.5 | |||
75W | 0.01~39K | LRX75B | 29.0 | 51.0 | 10.0 | \ | 15.0 | 37.0 | 48.0 | 26.0 | 11.5 | 4.0 | 4.4 |
100W | 0.01~51K | LRX100 | 35.0 | 66.0 | 10.0 | \ | 15.0 | 37.0 | 48.0 | 26.0 | 12.0 | 4.0 | 4.4 |
150W | 0.01~56K | LRX150 | 58.0 | 100.0 | 20.0 | \ | 15.0 | 37.0 | 48.0 | 26.0 | 12.0 | 4.0 | 4.4 |
200W | 0.01~62K | LRX200 | 70.0 | 91.0 | 10.0 | 35.0 | 20.0 | 57.0 | 71.0 | 45.0 | 20.0 | 6.0 | 5.2 |
250W | 0.01~68K | LRX250 | 90.0 | 110.0 | 10.0 | 45.0 | 20.0 | 57.0 | 71.0 | 45.0 | 20.0 | 6.0 | 5.2 |
300W | 0.01~75K | LRX300 | 104.0 | 130.0 | 10.0 | 52.0 | 20.0 | 57.0 | 71.0 | 45.0 | 20.0 | 6.0 | 5.2 |
500W | 0.01~82K | LRX500 | 174.0 | 204.0 | 15.0 | 87.0 | 20.0 | 57.0 | 71.0 | 45.0 | 20.0 | 6.0 | 5.2 |
▇ Special Colour or Dimension please leave message to us
Shenzhen Headquarter Office :
Add: Room 812 , Plaza C WEGO Park , Bantian Hi-Tech Industrial Park , Longgang Shenzhen China 518129
Tel . +86 755 2870 1350
( UTC/GMT+8 9:00-18:00 )
E-mail: Info@sino-resistors.com